耐候性试验
Weathering Testing
咨询热线
18566398802耐候性是户外涂料的一个必要性能。因为户外暴露试验时间长,所以实验室加速测试被广泛应用于此行业。其中最常用的实验室加速老化测试设备,是符合ASTM G154标准的紫外/冷凝设备,也就是通常所说的QUV。 QUV紫外光老化试验箱中,在一定温度条件下,测试样品被反复暴露在紫外光照和冷凝的交替循环中。此前,只是荧光紫外灯管、紫外和冷凝暴露多长时间及暴露温度等测试条件的选择。本文探讨了QUV老化试验机的改进:光强输出的精确控制和更高辐照度。所列数据是几种常见的聚合物在较高的辐照度条件下的加速老化测试结果。
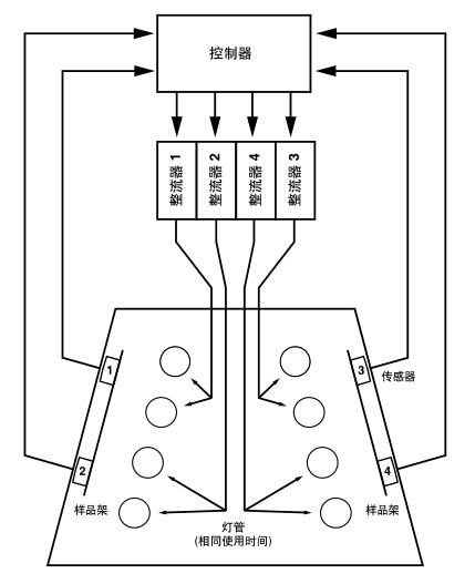
辐照度控制系统,市场上称“太阳眼”,包括一个可编程的控制器,连续监控四个安装在测试样板面上传感器测得的紫外线强度。一个四通道反馈回路系统通过调整紫外灯管的输出功率以控制所设定的辐照度。该辐照度可被
调整成不同的强度以适应不同的应用条件。图1是辐照度控制系统如何工作的示意图。

太阳眼辐照度控制系统示意图
每个传感器监控两根灯管的强度。操作者定期对每个传感器进行单独校准。该校准可溯源至美国国家标准和技术协会(NIST),符合ISO 9000的要求。
之前的数据 2 已表明,太阳眼控制系统在很大程度上消除了紫外线强度的差异,因而大大降低了测试结果的差异。
可编程的自动辐照度控制系统允许操作者,选择一个比标准辐照度高的辐照度进行紫外线暴露测试。对于许多材料,这将加快降解进程,因而缩短了测试时间。
普遍认为?UVA-340 灯管比?UVB-313 灯管能更真实地模拟太阳光 3,4 。自推出以来,大多数塑料行业已换用UVA-340灯管,因为它能给出更切合实际的结果。然而,尽管UV-B 管灯有其不足之处,但由于能给出更快的结果,很多涂料研究人员仍继续使用它们。应用可编程控制器,现在在更高的辐照度水平下,使用UVA-340灯管可以加快测试进程。图2显示了UVA-340 灯管在不同辐照度水平下与太阳光光谱的比较。

建议最大辐照度不超过典型?G154 辐照度的 1.75倍。即使灯管在最大功率时能够有更高的辐照度水平,也不建议在高于正常情况1.75倍的辐照度水平下进行试验。必须留有一部分功率用于维持现有的设定值和解决一些诸如因灯管老化和其他因素等引起的辐照度降低的问题。应该指出的是,在高于正常辐照度下使用灯管,其有效使用寿命将会缩短。
为了确定增大辐照度对降解速率的影响, 15 种不同的涂料和塑料样品,在装有自动辐照度控制的太阳眼系统的QUV/se 中分别以正常辐照度和高辐照度进行暴露试验。







暴露条件是:UVA-340灯管,只进行光照(100%?)紫外线照射,没有潮湿,无黑暗时间),50°C。辐照度水平分别为0.83和1.35W/m2/nm@340nm,其结果见图3到图17所示。总结见表1。
| 材料 | 聚合物 | 种类 | 颜色 | 厚度 |
| 1 | Vinyl | 薄膜 | 透明 | 0.006 |
| 2 | Vinyl | 光滑薄膜 | 蓝色 | 0.003 |
| 3 | 聚苯乙烯 | 参照材料 | 透明 | 0.110 |
| 4 | Vinyl | 薄膜 | 绿色 | 0.004 |
| 5 | 环氧树酯 | 卷材涂料 | 灰色 | |
| 6 | 聚氨酯 | 卷材涂料 | 灰色 | |
| 7 | ? | 汽车涂料 | 蓝色 | |
| 8 | 聚酯 | 卷材涂料 | 棕褐色 | |
| 9 | 丙烯酸 | 薄片 | 透明 | 1/8英寸 |
| 10 | 聚碳酸酯 | 薄片 | 透明 | 1/8英寸 |
| 11 | 聚乙烯 | 薄片 | 白色 | 1/8英寸 |
| 12 | ABS | 薄片 | 白色 | 1/8英寸 |
| 13 | CAB | 薄片 | 透明 | 1/8英寸 |
| 14 | 聚丙烯 | 薄片 | 自然色 | 3/16英寸 |
| 15 | 尼龙 | 薄片 | 自然色 | 3/16英寸 |
表1测试材料
15种材料中的9种,增大辐照度会导致降解速率增大。虽然辐照度大约增强60%,但并不是所有材料降解速率的增大值都相同。
应该指出的是,这些暴露不包括潮湿和黑暗时间,因此,在评估测试结果时,没有考虑潮湿的影响和/或任何黑暗时间降解的影响。
对于对潮湿比较敏感的材料,当在紫外循环中加入潮湿影响时, 可能产生更快的加速老化。另外,一些材料由于潮湿的存在可能有完全不同的老化方式。为了对此进行测试,在4种不同的情况下对材料进行暴露测试。
100% 紫外光照循环 (50℃)
紫外光照 + 潮湿循环 (50°C下4小时紫外光照,与50°C下4小时冷凝交替循环)
紫外光照 + 黑暗/干燥 循环 (50°C下4小时紫外光照,与50°C下4小时黑暗交替循环
潮湿 + 黑暗/干燥 循环 (50°C下4小时黑暗/干燥,与50°C下4小时冷凝交替循环)
对于蓝色乙烯薄膜,紫外光照+潮湿循环使材料降解的最快。尽管100%的紫外光照循环对材料的暴露是紫外光照+潮湿循环中紫外辐照量的两倍,其老化结果并不严重。


潮湿对聚氨酯的影响更大。再次指出,虽然紫外光照+潮湿循环对材料的紫外辐照量仅是100%紫外光照循环的一半,其降解速率却要快得多。
有时潮湿不但影响降解速度,还影响降解类型,这体现在图20中。这种情况下,紫外光照+潮湿循环中的老化结果与只有光照循环的结果非常不同。
一般情况下,暴露应该进行到材料完全失效为止。这是因为任意两个暴露的降解速率之间的感官差异,按照不同的分析方法可能有所不同。
图21显示了以预期降解水平(在本例中,是发生黄变)进行暴露试验会引起混淆。如果在delta b的值达到8后终止暴露,较高辐照度的暴露将会加快48%。如果在delta b的值达到34后终止暴露,较高辐照度将只加快32%。只有进行该试验直到材料完全失效,才能完整地确定两个暴露之间的关系。

图22显示了前面图中用到的相同数据。然而,在这里,该暴露是在一个预定的时间后进行分析的。如果在500小时比较这两个暴露,其差值为100%。如果在1000小时比较,其差值为22%。
一个更加生动的例子,如图23所示。经过1000小时的暴露,暴露结果并没有差别。然而,1500小时,就有一个18比1的差别。这是因为辐照度较低的试验在样品完全失效前就已经终止了,无法知道两个暴露之间的实际关系。
这些例子也说明了为什么要在暴露期间每隔一定间隔测量降解速率,而不只是在预定时间都结束后才进行测量评估。
采用高辐照度暴露,作为一种实验室加速老化测试的方法是当前的一个热点。一个达到较高辐照度,通过可编程自动控制系统,现在已经可以在QUV/se老化试验机中实现。这个系统地设计是用来在整个暴露试验中维持一个精确的紫外线辐照度水平。利用这个系统,操作者可以在标准QUV设备的辐照度到1.75倍辐照度水平之间进行选择。
多种材料的实验室加速老化数据表明,一部分材料,在QUV/se中暴露在高辐照度水平下,能够快速降解。对于这些材料,应用较高辐照度可以减少试验时间。
但是对于某些材料,潮湿或者温度可能在降解中起到关键性作用。15种被测材料中有5种,测试周期中的潮湿提高了黄变或失光的速率。此外,试验表明辐照度、潮湿、黑暗周期和温度往往共同发生作用。
应用高辐照度来减少试验时间是一种很有发展前途的技术。但是,也可能对实验室和户外测试所得结果之间的相关性有不利影响。